With Christmas only a few months away, it’s time to start thinking about that special someone.
But are you starved for inspiration? You could take a chance – maybe that Celine Dion CD won’t be an epic fail (you were only buying it for yourself anyway, weren’t you?). Or you could do something different.
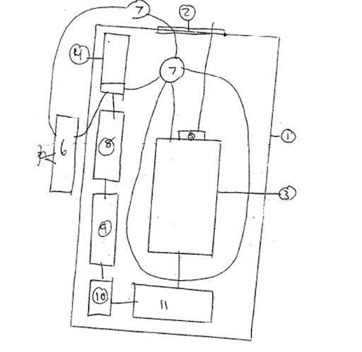
Let me recommend the Resurrection Burial Tomb.
Invented by the Reverend Daniel Izzo, this lovingly crafted device is a great hit at parties, and goes down a treat with the ladies.
But how does it work? Let Reverend Izzo’s own patent application for this marvelous technology illustrate how.
Got that?
You may at this point be thinking, “gosh, what an interesting fellow this Reverend Izzo must be.”
But the true genius of the man can only really be appreciated once you look over his correspondences with the US Patent and Trademark Office.
For example, would it have occurred to you to pay the filing fee in gold?
The USPTO were flummoxed, but our man stuck to his guns. He knows the law, even if he can’t spell.
I like the way he adds a few billion novelty notes, just to be on the safe side (Zimbabwean currency?)
I can understand why he has plenty of gold lying about. He’s apparently been extracting it from silver and lead
But the USPTO weren’t being good sports. The patent examiner rejected his groundbreaking invention, and dismissed the claims of his patent application. So he resorted to a novel tactic to get his application through.
Still no luck, though. In between various incoherent threats and pleas he suddenly revealed a startling medical breakthrough.
Surely now they’ll see the miracle that is his invention, and let the application through. Time will tell.
Let’s hope so. Because people like the Reverend Izzo need our support. We need to encourage and reward those who break down barriers.
So the laws of science say it won’t work: well maybe the laws need to be changed.
You know this is the perfect present. So this festive season give that special someone the gift that will keep on giving.











